Loading...

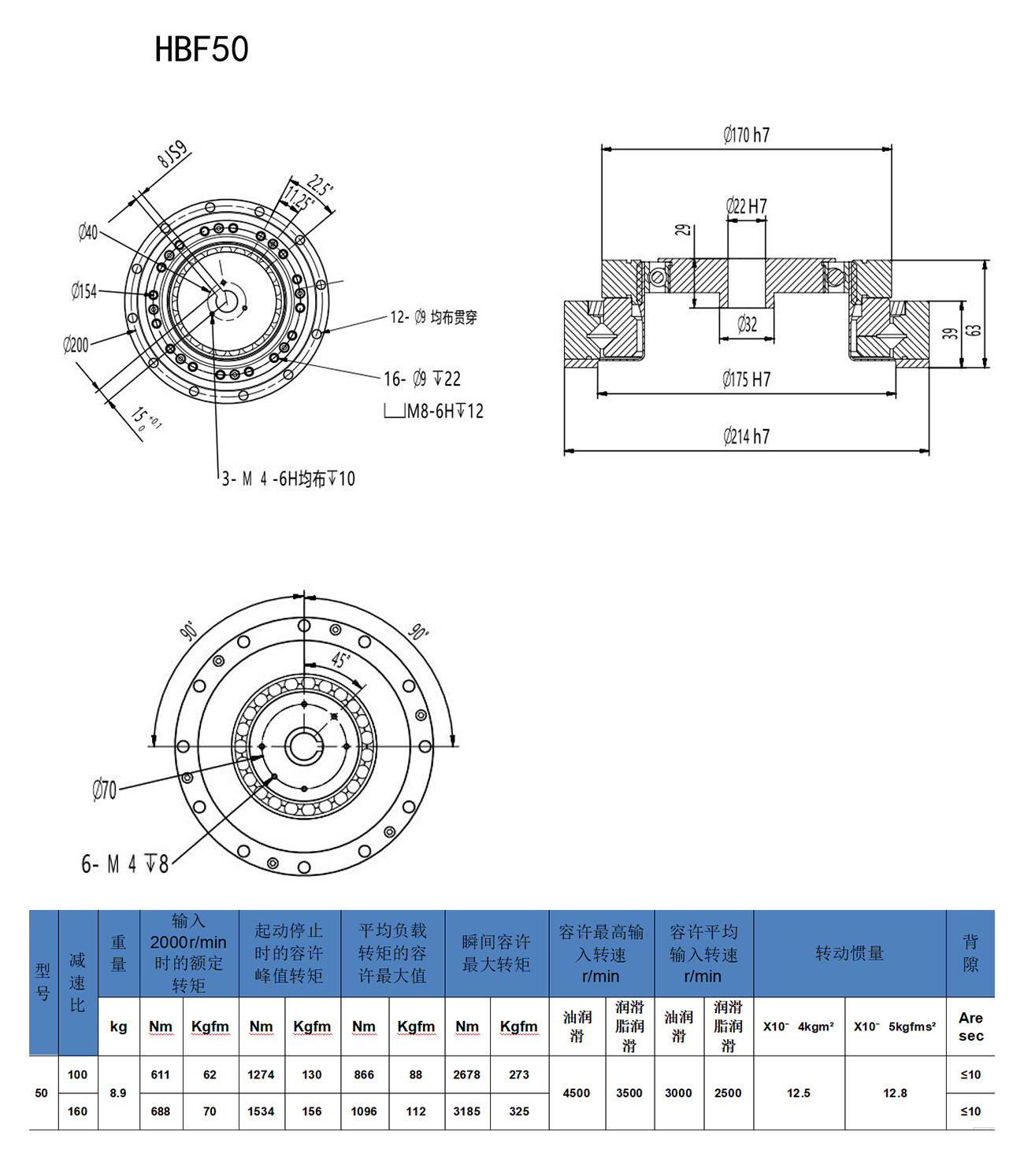
HBF 50-50/80/100

产品系列:HBF

发布日期:2022-07-30

立即询价

 

  • HBF 32 系列
  • HBF 25 系列
  • HBF 20 系列
  • HBF 17 系列
服务热线
13819851983
地址:浙江省宁波象保合作区航天大道99号11幢417室(象保商务秘书公司托管A647号)
网址:www.puyingkeji.com