Front
About Us
Harmonic Reducer
Planetary roller screw
Planetary reducer
Product Advantages
Application field
News
DOWNLOAD
Contact Us
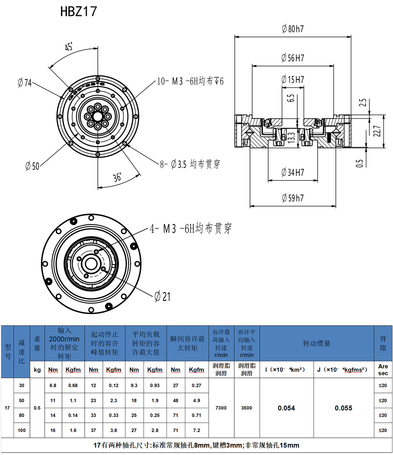
产品系列:HBZ
发布日期:2022-08-23
QQ咨询
服务热线
微信客服
返回顶部