Loading...

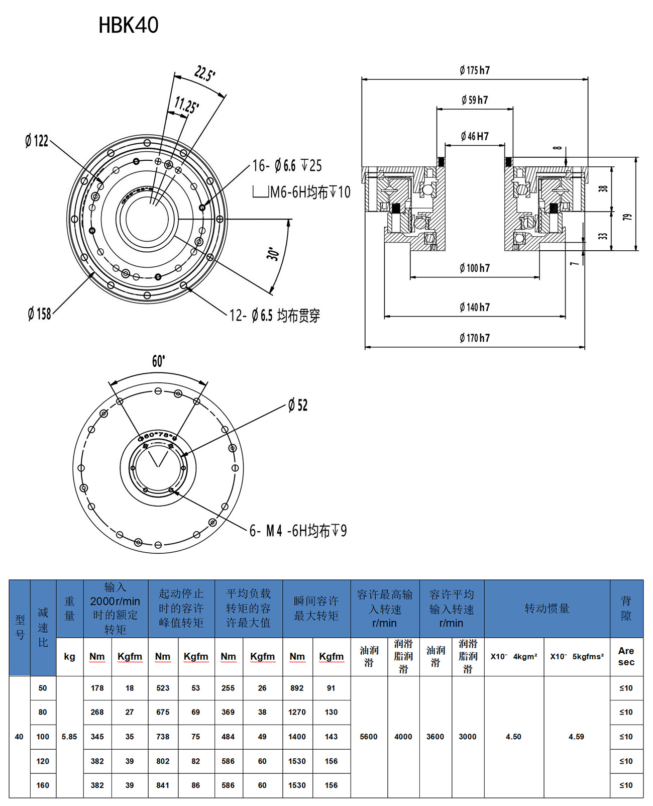
HBK 40-50/80/100

产品系列:HBK

发布日期:2022-08-02

立即询价

 

  • HBK 58系列
  • HBK 50系列
  • HBK 45系列
  • HBK 40系列
服务热线
13819851983
地址:浙江省宁波象保合作区航天大道99号11幢417室(象保商务秘书公司托管A647号)
网址:www.puyingkeji.com